Преобразователи частоты однофазные ОВЕН ПЧВ
Преобразователь частоты векторный однофазный ОВЕН ПЧВ
Серия преобразователей частоты «ОВЕН ПЧВх» предназначена для управления частотой вращения асинхронных двигателей в составе приводов для работы в промышленных и бытовых установках, системах отопления, вентиляции и кондиционирования воздуха.
Благодаря встроенному функциональному, программному и аппаратному оснащению серия «ОВЕН ПЧВх» может применяться в приводах:
- центробежных насосов (в т. ч. погружных) и вентиляторов;
- компрессоров и насосов поршневого типа;
- конвейеров, транспортеров и эскалаторов;
- упаковочных и дозирующих машин;
- швейных, прядильных и наматывающих машин;
- прокатных и волочильных станов;
- типографского и складского, лифтового и кранового оборудования;
- металлообрабатывающих и деревообрабатывающих станков;
- мельниц, мешалок и дробилок, куттеров и экструдеров;
- высокоскоростных центрифуг и сепараторов;
- механизмов точного позиционирования инструментов и объектов;
- согласованного движения нескольких двигателей;
- распределенных АСУ ТП;
- локальных АСУ ТП
Преимущества преобразователей частоты ОВЕН ПЧВх
- Экономические (энергосбережение)
Функция автоматической оптимизации энергопотребления позволяет сэкономить электроэнергию, уменьшить срок окупаемости и себестоимость продукта. - Технические
Алгоритмы вольт-частотного и векторного (цифрового бессенсорного) управления, встроенные ПЛК и ПИ- регулятор и использование широкой номенклатуры приборов ОВЕН позволяют реализовать законченные решения для различных применений в промышленности с минимальными затратами.
Встроенные радиочастотный фильтр и дроссель в звене постоянного тока во всех модификациях ПЧВх с однофазным и трехфазным входом минимизируют перечень дополнительного оборудования.
Компактное исполнение с малыми габаритами и массой. - Эксплуатационные
Высокая отказоустойчивость благодаря самодиагностике, минимизация динамических нагрузок в приводном механизме, уменьшение износа и увеличение срока службы оборудования. - Гарантии качества и надежности
За счет применения высоконадежных компонентов ведущих мировых производителей (Mitsubishi, Infineon, ST, Semikron), строгого выполнения гарантийных обязательств, качественной документации и техподдержки.
Функциональные возможности преобразователей частоты ОВЕН ПЧВх
- Частотный (U/F) или векторный (V) алгоритмы управления
- Автоматическая адаптация двигателя (ААД)
- Автоматическая оптимизация энергопотребления (АОЭ)
- Программная гибкость управления
- Функциональная и аппаратная диагностика и защита
- ПИ-регулирование
- Встроенный ПЛК
- Автоматическое повторное включение
- Управление по предустановленным заданиям
- Автоматический поиск частоты вращения
- Прогрев двигателя и сушка
- Контроль сопротивления изоляции
- Прямое и реверсное вращение вала
- Пропускание резонансных частот
- Выбор параметров «Разгон/Торможение»
- Программирование S-образной характеристики скорости
- Торможение резистивное, постоянным и переменным током
- Управление механическим тормозом
- Компенсация нагрузки, скольжения
- Выбор источника управления
- Установка допустимых границ параметров и режимов
- Управление по интерфейсу RS-485
- Корректировка несущей частоты ШИМ
- Сверхмодуляция инвертора
- Коммутация нагрузок на выходе
- Журнал отказов, счет событий
- Пароль доступа
Технические характеристики.
|
Наименование |
Значение |
|
Выходное напряжение (U, V, W), % |
0...100% от входного напряжения |
|
Выходная частота, Гц |
0...200 Гц (режим V), 0...400 Гц (режим U/f) |
|
Длительность разгона и торможения, сек |
0.05...3600 сек |
|
Число коммутаций на выходе |
Без ограничений |
|
Цифровые входы |
5, (PNP или NPN, 0...24 В) |
|
Импульсные входы |
1, (20...5000 Гц, 0...24 В) |
|
Аналоговые входы |
2 (0...10В, 0/4...20м А) |
|
Аналоговые выходы |
1, (0/4...20 м А) |
|
Релейные выходы |
1, (~240 В, 2 A) |
|
Поддерживаемые протоколы |
Modbus RTU |
|
Встроенные источники питания |
1) 10В/15м А; 2) 24В/130м А |
|
Класс защиты корпуса |
IP20 |
|
Испытания на вибропрочность |
0, 7g |
|
Максимальная относительная влажность |
95% без конденсации влаги |
|
Диапазон рабочих температур |
0...+40 oC |
Модификации
Номинальные параметры преобразователей
|
Обозначение для заказа |
Выходная мощность |
Фаза, напряжение |
Номинальный выходной ток |
|
ПЧВ101-К18-А |
0,18кВт |
1* 200…240В |
1,2 А |
|
ПЧВ101-К37-А |
0,37кВт |
1* 200…240В |
2,2 А |
|
ПЧВ101-К75-А |
0,75кВт |
1* 200…240В |
4,2 А |
|
ПЧВ102-1К5-А |
1,5кВт |
1* 200…240В |
6,8 А |
|
ПЧВ103-2К2-А |
2,2кВт |
1* 200…240В |
9,6 А |
|
ПЧВ101-К37-В |
0,37кВт |
3* 380…480В |
1,1 А |
|
ПЧВ101-К75-В |
0,75кВт |
3* 380…480В |
2,1 А |
|
ПЧВ102-1К5-В |
1,5кВт |
3* 380…480В |
3,4 А |
|
ПЧВ102-2К2-В |
2,2кВт |
3* 380…480В |
4,8 А |
|
ПЧВ103-3К0-В |
3,0кВт |
3* 380…480В |
6,3 А |
|
ПЧВ103-4К0-В |
4,0кВт |
3* 380…480В |
8,2 А |
|
ПЧВ203-5К5-В |
5,5кВт |
3* 380…480В |
11,0 А |
|
ПЧВ203-7К5-В |
7,5кВт |
3* 380…480В |
14,0 А |
|
ПЧВ204-11К-В |
11кВт |
3* 380…480В |
21,0 А |
|
ПЧВ204-15К-В |
15кВт |
3* 380…480В |
27,0 А |
|
ПЧВ205-18К-В |
18кВт |
3* 380…480В |
37,0 А |
|
ПЧВ205-22К-В |
22кВт |
3* 380…480В |
43,0 А |
Габариты, масса
|
Обозначение для заказа |
Тип корпуса |
Габаритные размеры, мм |
Масса, кГ |
|
ПЧВ101-К18-А |
01 |
150x70x148 |
1,1 |
|
ПЧВ101-К37-А |
01 |
150x70x148 |
1,1 |
|
ПЧВ101-К75-А |
01 |
150x70x148 |
1,1 |
|
ПЧВ102-1К5-А |
02 |
176x75x168 |
1,6 |
|
ПЧВ103-2К2-А |
03 |
239x90x194 |
3,0 |
|
ПЧВ101-К37-В |
01 |
150x70x148 |
1,1 |
|
ПЧВ101-К75-В |
01 |
150x70x148 |
1,1 |
|
ПЧВ102-1К5-В |
02 |
176x75x168 |
1,6 |
|
ПЧВ102-2К2-В |
02 |
176x75x168 |
1,6 |
|
ПЧВ103-3К0-В |
03 |
239x90x194 |
3,0 |
|
ПЧВ103-4К0-В |
03 |
239x90x194 |
3,0 |
|
ПЧВ203-5К5-В |
03 |
239x90x194 |
3,0 |
|
ПЧВ203-7К5-В |
03 |
239x90x194 |
3,0 |
|
ПЧВ204-11К-В |
04 |
292x125x241 |
6,0 |
|
ПЧВ204-15К-В |
04 |
292x125x241 |
6,0 |
|
ПЧВ205-18К-В |
05 |
335x165x248 |
9,5 |
|
ПЧВ205-22К-В |
05 |
335x165x248 |
9,5 |
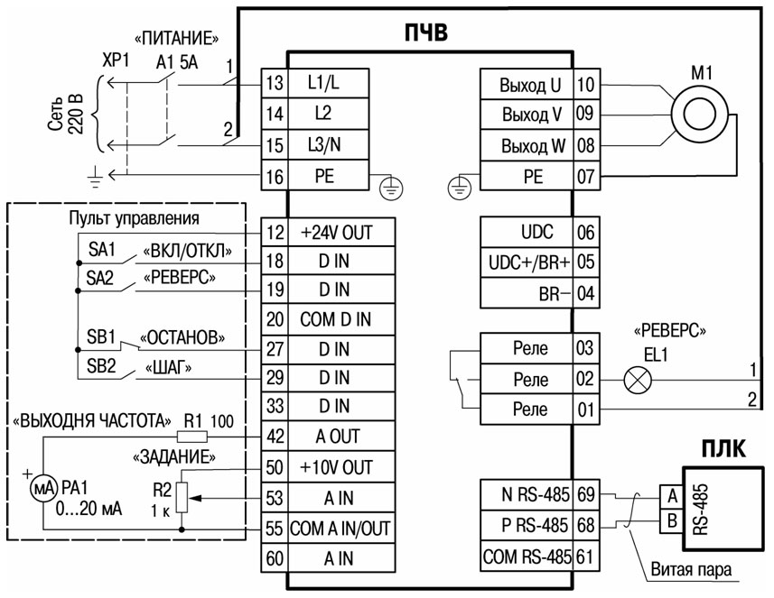
![]()
Схема подключений, SA1, SA2, SВ2 – включатели OFF-ON; SВ1 – кнопка ON-OFF;
При заказе "Съемная локальная панель оператора" поставляется отдельно!



